メンテナンス・アフターサービスについて
HOME > パーツリスト

パーツリスト

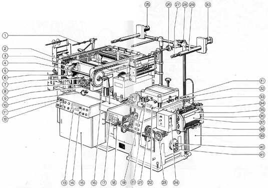
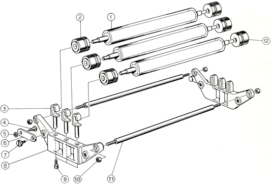
恩田製作所では、オンダブランドのラベル印刷機のパーツリストです。メンテナンス・アフターサービスの問い合わせ時など、ご質問、確認の際にご利用下さい。

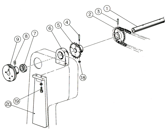
A

A

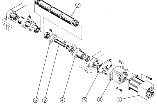
B

B

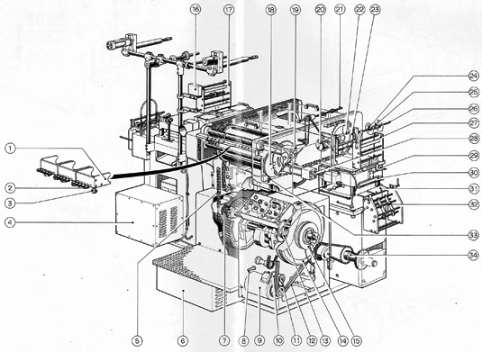
C

C

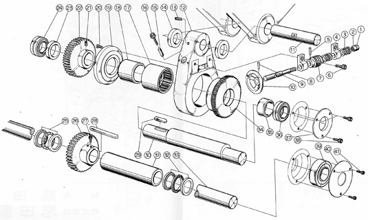
D

D

E

E

F

F

G

G

H

H

I

I

お問い合わせはお気軽に

製品や特注に関するご質問など、お気軽にお問い合わせください。
お電話受付時間 平日 8:30〜17:30 まで

TEL 048-950-8662 FAX 048-950-8663お問い合わせ
ページ上部へ

Copyright (C) 2007 Onda MFG.,LTD All Rights Reserved,